Err

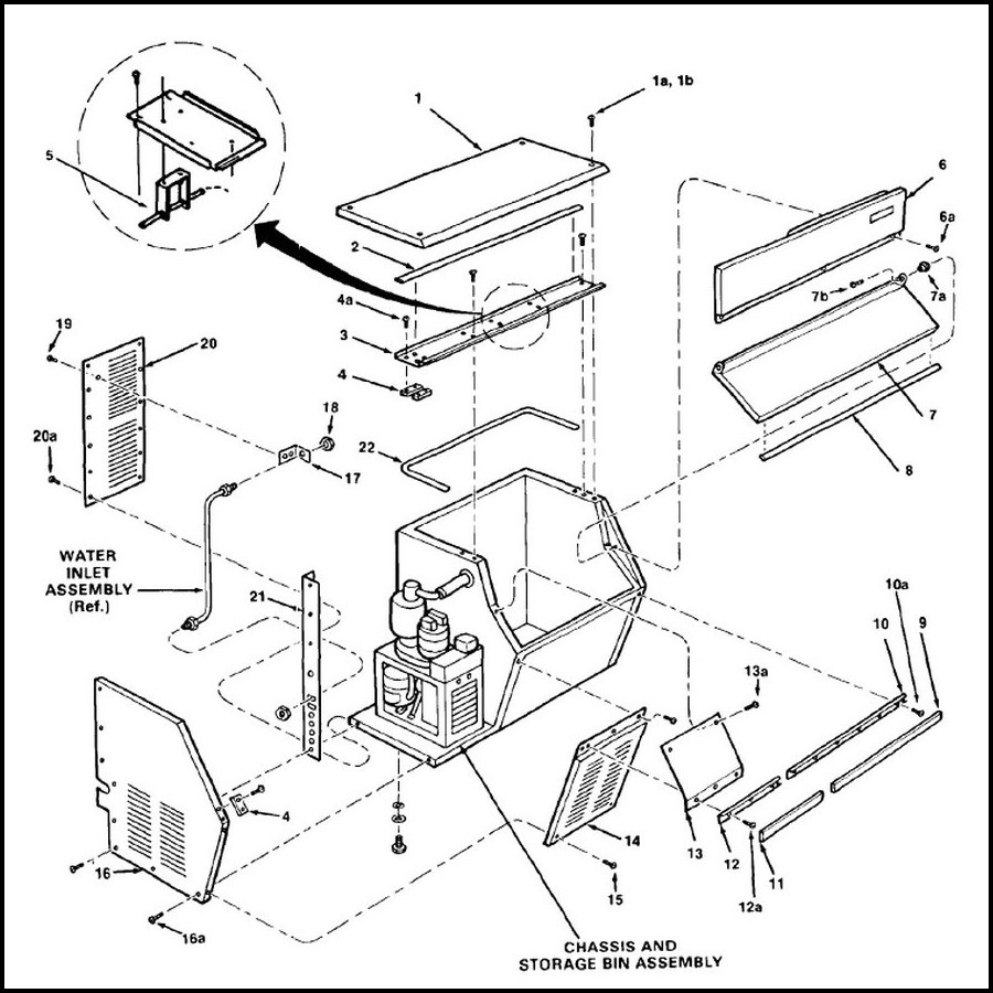
Vue éclatée Scotsman AF325

SCOTSMAN


Vue éclatée et document PDF
0g
paiement 100% sécuriséCB, Mastercard, Visa, Virement, Chèque
Livraison rapide - 24/72HSo colissimo, Mondial relay, Tnt
Contactez-nous06 33 72 17 35   piecesfrigo2az@gmail.com
9H à 12H et de14H à 18 H du mardi au samedi